Brides à orifice
Bride de plaque d’orifice
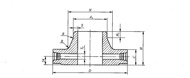
Critère:HG/T20592~20635-2009、ASME B16.36Matériau : acier inoxydable,acier allié,acier de carbone cier biphasé super acier biphasé,alliage à base de nickel etc..
Pression nominale :PN10-PN160
Spécification : DN25-DN600(1”-24”)
Details

